Wet Electrostatic Precipitator

솔루션 개요

습식 전기집진기는 전기장을 이용해 배출가스 중의 미세먼지와 유해 물질을 이온화한 후, 이를 수막 또는 세정액으로 씻어내어 제거하는 고효율 집진 장치로, Oil mist, fume, 미세먼지 등 가스상 및 입자상 오염물질의 동시처리가 가능하고 압력손실이 낮아 경제적입니다. 코넵은 특허 기술을 적용하여 처리물질 자체의 전기적 특성에 관계없이 오염물의 전도성을 높여 집진효율을 최대화한 습식 전기집진기를 공급합니다.

솔루션 특징

와류형 대전판 모듈

코넵은 습식 전기집진기의 집진효율을 높이기 위해 집진면적과 체류시간을 늘려 먼지가 충분히 전리되도록 하는 대전판을 개발하였습니다. Mist Eliminator의 디자인에서 착안한 와류형 대전판 모듈은 원심력과 관성을 이용하여 가스 유속을 4~7m/sec까지 증가시킵니다.

전처리 시스템

벤츄리 효과 및 관성 충돌력을 적용한 전처리 장치를 습식 전기집진기 전단에 설치해 제거 효율을 높였습니다. 유선형 포켓의 차단 기능으로 빠른 유속에도 재비산이 없이 높은 집진효율을 얻을 수 있으며, 타 전기집진기와 달리 방전부의 상, 하부 고정으로 운전과 유지보수가 편리한 특징입니다.
컴팩트한 WESP
와류형 대전판 모듈
별형 방전봉

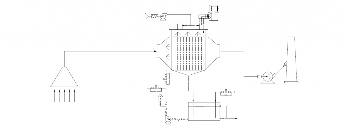
솔루션 구성

  • Discharge & Collecting Electrode
  • Power Supply System
  • Purge Air System
  • Water Recirculation System
  • Exhaust fan

코넵의 강점

  • Vertical honeycomb, horizontal zigzag, brush 등 다양한 collector type 적용
  • Multi stage type discharge electrode의 적용으로 집진 효율 최대화
  • Discharge electrode를 상·하를 고정하는 구조로 유지관리가 매우 간편함
  • 코넵의 특허 기술인 전처리 system 적용으로 안정적이고 효율적인 운전 가능
  • 미세한 수분이 집진부로 유입되도록 시스템을 구성하여 운전 중 연속 세정이 가능
  • 높은 효율로 compact한 사이즈, 투자비 및 설치 공간 감소

솔루션 적용

  • 보일러, 소각시설의 미세먼지 및 blue fume(SO3, oil mist 등) 등 가시오염물질 제거
  • 염색 및 합성수지 제조공정의 Oil Mist 제거
  • 제철소, 용해로의 먼지 제거
  • 미세먼지(PM 10 이하) 및 초미세먼지(PM 2.5 이하) 제거

주요 프로젝

  • Location

    현대제철 당진